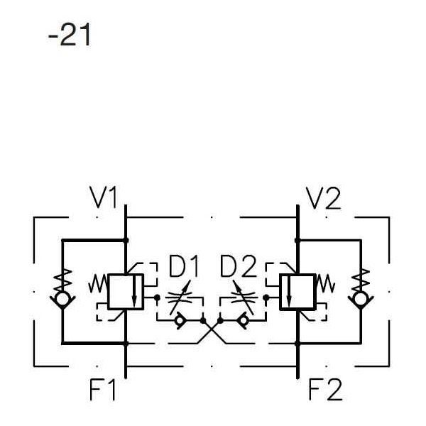
250/250 — Counterbalance Valve (100 L/min) Motion control valve, line.
Product number: HW92100297
Datasheet
Ask us about this product